Equilink
Home
About Us
Company Profile
Mission, Vision and Values
Time Line
Media
Blog
News
FAQ
Contact Us
中文
中文
EN
Quick Quote
My Cart (
0
)
Shipping Containers
Standard Container
Special Container
Reefer Container
Tank Container
Modified Container
Used Container
45FT High Cube Standard Shipping Container
45FT Standard Shipping Container
40FT High Cube Shipping Containers
40FT Standard Shipping Container
20FT High Cube Shipping Containers
20FT Standard Shipping Containers
10FT Shipping Container
8FT Shipping Container
6FT Standard Container
20FT Open Side Shipping Container
40FT Open Side Shipping Container
40FT Open Top Shipping Container
20FT Open Top Shipping Container
Bulk Containers
Dangerous Goods Container
Power Equipment Container
Equipment Container
Flat Rack Container
Offshore Container
Accommodation Container
45FT Reefer Container
40FT Reefer High Cube Container
40FT Reefer Container
20FT Reefer High Cube Container
20FT Reefer Container
10FT Reefer Container
Open Side Reefer Container
Insulated Container
20FT ISO Tank
40FT ISO Tank
Site Office Container
Shipping Container Homes
Used Dry Container
Used Reefer Container
Container Parts
Dry Container Parts
Reefer Container Parts
Flat Rack Parts
Open top parts
53’ Parts
45' Parts
Consumables
ISO Tank Parts
Reefer Machinery Parts
Roof Panel
Side Panel
Front End Panel
Door Panel
Front Corner Post
Rear Corner Post (Outer/Inner)
Cross Member
Bottom Side Rail
Top Side Rail
Door Sill
Front Bottom Rail
Top End Rail
Door Header Upper/Lower
Door Rail
Floor Spacer
Angle
Top/Bottom End Rail
Door Edge Member
Gooseneck Cross Rail/Side Rail/Bottom Rail
Corten Plate
Corner Casting
Stainless Door Seal
Sealant
Door Locking Hardware
Ventilator
Door Gasket
Plywood
Container Seal
Tapping Screw
Door Sealing
Door Frame Profile
Door Lining
Door Hardwares
Door Gasket
Side Panel/Lining
T-Floor
Roof Panel/Lining
Cross Member
Bottom Side Rail
Top Side Rail
Ledge PVC
Kazoo Drain
Auto Drain
Alu Tube
Auto Drain Center Part
PVC Drain Pipe
PVC Plugs f. Drain with Ring and Steel Wire
Kazoo
Corner Post
Side Post Inner/Outer
Bolt
Alu Flat Bar
Rivet
Kick Plate
Flat Plate Alum
MGSS Plate
Foaming Machine
Inner Hinge
Outer Hinge
Top Plates
Pivot Pins
Locking Pins
Locking Device
Twist Locks
Springs
Post Extenders
Tir Wire Completed with End
Cable Seal End
Eyelet
Tarpaulin
Roof Bow
Roof Bow (electroplate)
Hinge Blade, Open Top
Hinge Pin, Open Top
Hinge Pin with Chain,Open Top
Hinge butt for Open Top
End Top Rail
Roof Panel
Front Panel
End Bottom Side Rail
Front Corner Post
Front Side Panel
Front Sill
Rear Door Assembly
Side Wall
Door Screw
Door Screw Nut
Door Screw Rubber
Tapping Screw
Stainless Blind Rivet
Lashing Ring
CSC Plate
Welding Wire
Tapping Screw Bit
Sockets
Magnetic Measuring
Measuring Rule
Measuring Hammer
Caution Decal
Zebra Decal
Weight Decal
Height Decal
UIC Decal
Letter Decal
Little Letter Decal
Number Decal
Little Number Decal
Side Logo
Door Logo
Other Logo Decals
Rail
Column
Corner Castings
Cladding
Document Holder
Data Plate
Bursting Discs
Gauzes
Gauges
Walkway
Ladder
Seals And Gaskets
Bolts
Flanges
Valves
Manlid Cover
Manlid Neckring
Compressor
Controller
Coil
Motor
Sensor
Solenoid Valve
Power Plug / Socket
Splice Kit
Battery
Power Cable
Drier
Compressor Oil
Magnet
Gauge Set
Cable Assambly
Service Tool
Vehicle Parts
Axles
Suspensions
Landing Gear
Brakes
Air And Valve
Wheels
Lighting & Reflections
Coupling
Body Components
Cargo Control
Safety Equipment
Slack Adjusters
Camshafts
Oil Seals
U-Bolt Kits
Torque Arms / Torque Rods
Hangers
Leaf Springs
Equalizing Beam / Equilizers
Air Springs
Landing Gear Sets
Sand Shoes
Crank Handles & Holders
Brake Shoes
Brake Discs
Brake Calipers
Brake Chambers
Air Tanks
Air Brake Hose & Accessories
Gladhands & Accessories
Air Valves
Brake Drums
Wheel Attachment
Electrical Assemblies
Fifth Wheels
Drawbar Eyes
Ninth Wheels
Welding/Bolt kingpin
Rear Swing Door Frame
I-Beam
Twist Locks
OHD Rear Frame
Hat ×Mbr Assy
Hinge Strap
Bumper Tube
Hinges
Lock Bar Kit
Bogie
Logistic Tracks
Winches / Winch Bars / Winch Straps
Ratchet Straps
Recessed d-Ring Assembly
Wheel Chocks
Mud Flaps
Ship Supplies
15. Cloth & Linen Products
17. Tableware & Galley Utensils
19. Clothing
23. Rigging Equipment & General Deck Items
27. Painting Equipment
31. Safety Protective Gear
33. Safety Equipment
39. Medicine
45. Petroleum Products
47. Stationery
51. Brushes & Mats
55. Cleaning Material & Chemicals
59. Pneumatic & Electrical Tools
61. Hand Tools
63. Cutting Tools
65. Measuring Tools
79. Electrical Equipment
81. Packing & Jointing
Cook and Steward Wear
Towel and Table Linen
Curtains
Tableware
Napkin Paper
Butcher's Saws
Galley Cleaning Equipment
Buckets & Garbage Bags
Foils & Roll Papers
Cabin Cleaning Equipment
Smoking Goods
Electric Cooking Appliances
Cutlery
Plates & Cups
Gloves
Rain Suits
Working Cloths
Wire Clips / Thimbles / Sockets
Waste / Rags
Oil Pollution Countermeasures
Canvas / Canvas Maintenance Items
Sand / Cement / Blasting Sand
Cleaning Guns / Air Dusters
Eye Protection
Goggles / Ear Muffs / Helmets
Medicines and Equipment for Ships
List of medicines and Equipment
Medical Equipment
Miscellaneous Petroleum Products
Grease
Silicone Grease / Compounds
Computer and Ancillary Items
Erasers
Files / Paper Holders / Trays
Glue / Paper Fastening Goods
Notebooks / Memo Pads
Pens / Markers / Pencil Sharpeners
Scissors / Cutters
Tags / Labels
Tapes
Whiteboards and Accessories
Brooms / Carpet Brushes
Floor Brushes / Hand Brushes
Floor Mats
Paint Brushes / Paint Rollers
Tube Brushes / Cup Brushes
Dusters / Floor Cloths
Laundry Soap and Detergent
Galley Cleaning Detergent
Hand Cleaning Soap and Detergent
Misc. Cleaner and Polish Goods
Floor Maintenance Products
Sanitary Items
Electric Hand Tools
Deck Scalers
Electric Hand Tools
Socket Wrenches
Wrenches / Spanners
Pliers
Scissors and Knives
Screwdrivers
Chisels
Hose Bands / Pipe Clamps
Carborundum Paste
Grinding Wheels / Disc Paper
Drills
Vernier Calipers / Hand Gauges
Rules /Tapes
Finding Pastes
Batteries
Electrical Insulation Materials
Filter Materials
Sealing & Bonding Items
Teflon Products
Vehicles
Container Chassis
Terminal Trailer
Flatbed Trailer
Side Wall Trailer
Curtain Sider Trailer
Dumper Trailer
Liquid Tanker
Dry Bulk Tanker
Concrete Mixer
40' / 3 axles chassis
20' / 3 axles chassis
40‘ / 2 axles chassis
45’
40‘
Light
Standard
Heavy
Lashing Tools
Container Fixed Fittings
Container Loose Fittings
Ro-Ro Fittings
Log / General Cargo Fittings
Lifting Equipment
D-Ring & Clamps
Lashing Plates
Foundations
Sockets
Turnbuckles
Lashing Rods
Extension Rods
Twistlocks
Midlock
Stackers
Support
Bridge Fittings
Release Bars
Flat Rack and Bins
D-ring & Clamps
Flush D-ring and Crinkle Bar
Raised Cloverleaf
Lashing Chains
Quick Lash
Hooks
Tension Levers
Chain Turnbuckles
Web Lashings
Trailer Horse and Trailer Jack
Rubber Wedges
Pad Eyes
Deck Lashing Chains
Log Turnbuckles
Steel Wire Ropes
Wire Slings
Wire Clips
Turnbuckles
Shackles
Snatch Blocks
Lifting Chains
Grommet
Slings
Lifting Gears for Hatch Covers
Container Spreaders
Beams
Bow Shackle with Safety Bolt Nut
Container Lugs
Hammer Locks
Master Links
Logistic Tools
Plastic Pallet Box/Container
Cage
Metal Rack Box And Pallet Box
IBC Tank
Plastic Ibc
Steel IBC And SSD
Foldable Large Containers
Crates
Plastic Pallet
Logistics Trolley
Wire Container
Pallet
Rack
Packing Tools
Plastic Pallet Box/Container
Cage
Metal Rack Box And Pallet Box
Adhesive IBC
Wine Ingredients IBC
Catalyst Powder IBC
UN T11 Electric heating and Insulate tank
Powder andgrease IBC
Electrolytic Polishing IBC
Stainless Steel IBC Tank for Dangerous Liquid
1000L Steel IBC for Dangerous Liquid
1000L Steel IBC for Dangerous Liquid
Plastic Ibc
Steel IBC And SSD
Foldable Large Containers
Crates
Plastic Pallet
Roll Container
Electric Trolley
Trolley
Metal Mesh Container
Foldable Rigid Container
Metal Bulk Container
Steel Pallet
Plastic Pallet
Stacking Rack
Tyre Rack
Packing Belt
Packing Buckle
Ratchet Tie Down
Personal Protective
Head Protection
Respiratory Protection
Eye Protection
Hearing Protector
Safety Shoes
Protective Gloves
Protective Suit
Fall Protection
Welding Protection
Helmet
Hard Hat Accessories
Fire helmets
Work cap
Collision avoidance cap
Face Mask
Respiratory Masks and Filter Media
Visitor glasses
Protective eyewear
Earplug
Ear cups
Labor security shoes
Safety gloves
Working gloves
Life support clothing
Fall protection device
Container Coatings
Container External Coatings
Container Internal Coatings
Container Underframe Coatings
Epoxy Zinc Rich Primer
Epoxy Intermediate Coat
Acrylic Top Coat
Epoxy Top Coat
Epoxy Zinc Rich Primer
Epoxy Zinc Rich Primer
Under Coating
Equilink
中文
About Us
Company Profile
Mission, Vision and Values
Time Line
Media
Blog
News
FAQ
Contact Us
Management Team
Cooperation Opportunities
中文
EN
Quick Quote
My Cart (
0
)
Home
/
Products
/
Lashing Tools
/
Lifting Equipment
/
Container Lugs
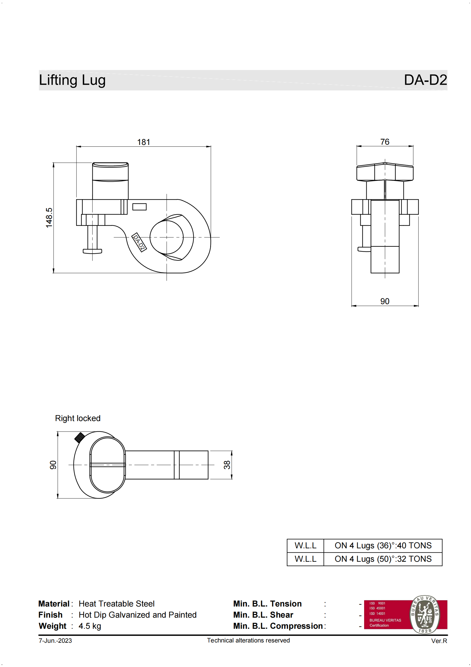
Lifting Lug DA-D2 (R)
Add to cart
Lifting Lug DA-D2 (R)
Amount:
Add
Quick Quote
Quick Quote
Please fill in the following form and write a message with your enquiry to us, our sales person will contact you as soon as possible.
Upload attachments
(file format:pdf、word、Excel、ppt、jpg、png)
Select file
WhatsApp us
< img height="1" width="1" style="display:none;" alt="" src="https://px.ads.linkedin.com/collect/?pid=7948532&fmt=gif" />